Analog Circuit Design

This project focuses on designing and analyzing 2nd order low-pass filters using Butterworth and Chebyshev methods. The design is optimized for frequency stability, offering trade-offs between performance and complexity.

Key Features

Comparison Criteria

Ripple Voltage
Roll-off Rate
Voltage Gain
Poles and Zeros
Frequency Response
Transfer Function, Q-Factor

Design

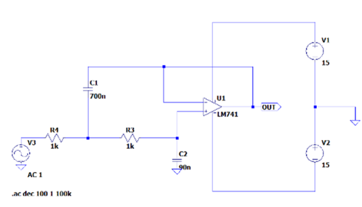
Butterworth Circuit

Figure 1: Butterworth Filter Circuit

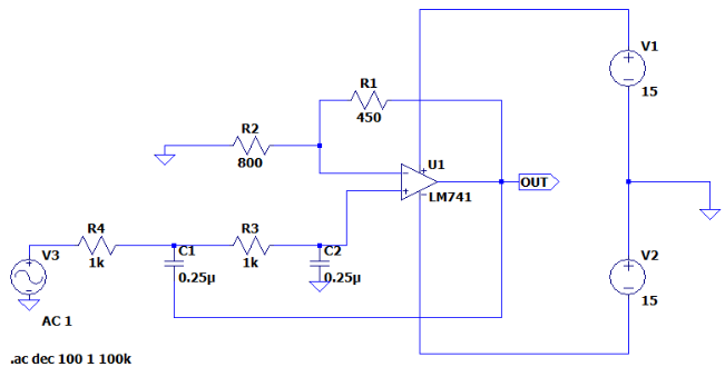
Chebyshev Circuit

Figure 2: Chebyshev Filter Circuit

Experimental Steps

Both Butterworth and Chebyshev filters were designed and analyzed using LTSpice simulations. The following steps were carried out:

  1. Construct circuits in LTSpice.
  2. Calculate frequency cut-off.
  3. Perform AC Analysis to observe ripple voltage.
  4. Analyze roll-off rate and frequency response.
  5. Perform transient analysis at different frequency ranges.
  6. Generate Poles-Zeros plots using MATLAB.
  7. Compare theoretical values with simulation results.
  8. Discuss findings and conclusions.

Simulation Results

Butterworth Simulation Results

Figure 3: Butterworth Simulation Roll-off rate Result

Chebyshev Simulation Results

Figure 4: Chebyshev Simulation Roll-off rate Result

Comparison Table

Comparison Table

Figure 5: Filter Comparison

← Back to Projects